Anu and Amy purchased ice creams in plastic balls and cones, respectively, during their outing at the science fair. After consuming their ice creams, Anu stated that regardless of whether they were filled with ice cream or empty, the centre of gravity of the objects would remain unchanged. Do you agree with Anu? Why?
Answer
No, I do not agree with Anu.
The centre of gravity of the sphere remains the same, while the centre of gravity of hollow cones and solid cones are different. The center of gravity of an object is the average position of its weight. It’s not solely determined by shape, but by how mass is distributed in that shape.
| Object | Position of center of gravity |
|---|---|
| Solid or hollow sphere | Geometric center of the sphere |
| Solid cone | At a height h/4 from the base on its axis (if height of cone = h) |
| Hollow cone | At a height h/3 from the base on its axis (if height of cone = h) |
The picture below shows a boy climbing a rope ladder hanging from the branch of a tree. The boy in the picture finds it difficult to climb the ladder as it turns about the axis where he is holding. The instructor tells the boy to stretch the body with the hands stretched up and make the body parallel to the ladder and climb

(a) Which force caused the ladder to turn?
(b) How does keeping the body parallel to the ladder make climbing easier?
Answer
(a) His own weight causes the torque on his body and turns about his hands holding the ladder.
(b) By stretching and keeping the body parallel to the rope decreases the torque arm, reducing the torque and makes it easier to climb.
Regenerative braking involves harnessing the energy that is typically lost when a car decelerates and brakes and instead using it to recharge the car's batteries. Unlike traditional braking systems that simply dissipate energy, regenerative braking allows some of that energy to be recycled.
(a) What is the energy conversion process that results in the wastage of energy in a normal car during braking?
(b) How does regenerative braking differ from normal braking in terms of energy conversion?
Answer
(a) In a typical car without regenerative braking, when the driver applies the brakes, the car's kinetic energy is converted into heat energy due to friction between brake pads and the wheels. This heat is then dissipated into the atmosphere and cannot be reused.
(b) Regenerative braking converts kinetic energy into electrical energy by running the electric motor in reverse, recharging the car battery.
John is trying to create musical notes using water-filled bottles, as shown in the picture.

Which of the bottles is likely to produce a musical note with the highest pitch? Give reasons.
Answer
Bottle B
Reason — Frequency is inversely proportional to the length of the air column ( ). Since pitch is directly proportional to frequency, Bottle B, having a shorter air column due to more water produces a higher frequency and therefore a higher pitch.
When Shyam, the band leader, struck both the bass drum and the kettle drum with equal force, the bass drum emitted a sound measuring 120 dB, whereas the kettle drum produced a sound of 90 dB. Explain this discrepancy in the loudness.
Answer
Surface area of bass drums is bigger than that of kettle drums. Larger the surface area louder is the sound produced.

In the above diagram, calculate the ratio of the resistances A, B, C and D.
Answer
Let resistance of wire D be R.
Resistance of wire A (RA) =
∵ If the diameter of a wire is doubled, the resistance becomes one-fourth of its initial value.
Resistance of wire B (RB) = 3R
∵ If the length of a wire becomes three times its original length, the resistance becomes three times the initial resistance.
Resistance of wire C (RC) =
∵ If both the length and diameter of a wire are doubled, the resistance becomes half of its initial value.
Ratio of resistances =
Multiplying all the terms with LCM of 4 and 2 (i.e., 4) we get,
∴ Ratio of the resistances A, B, C and D = 1 : 12 : 2 : 4
There are two copper wires of length ratio 1:2 that have their cross-sectional areas in the ratio 1:4. What will be the ratio of their:
(a) resistances?
(b) specific resistances?
Answer
(a) We use the formula for resistance of a wire:
Where : R = resistance, = specific resistance (same for copper), L = length, A = cross-sectional area.
Since is the same for both:
(b) Specific resistance (resistivity) depends only on the material, and both wires are made of copper. So, specific resistance is the same for both.
AB is an object and PQ is its real, inverted image. The lengths of AB and PQ are equal. This is possible when a lens is present between the object and its image.

(a) What kind of lens is used here? Also, state the position of the lens and where it is to be placed.
(b) Name a device where this lens action is used.
Answer
(a) Convex lens, at the midpoint of the distance between the object and the image.
(b) Photocopier
Explanation:
(a) The diagram shows a real, inverted image (PQ) of the object (AB) with equal size, which gives us a strong clue that this behaviour is characteristic of a convex lens. When an object is placed at 2F (twice the focal length) from a convex lens : The image is also formed at 2F on the other side.So,
- Lens used : Convex lens
- Position of object : At 2F
- Position of lens : Exactly midway between the object (AB) and image (PQ), since both are at 2F from the lens.
(b) Photocopier / xerox machine / intermediate lens in a terrestrial telescope.
The two metals A and B have their specific heat capacities in the ratio 2:3. If they are supplied the same amount of heat, then
(a) which metal piece will show a greater rise in temperature if their masses are the same?
(b) calculate the ratio in which their temperatures rise, if the mass ratio of metal A and metal B is 3:5.
Answer
The rise in temperature is given by: ΔT =
Where:
- Q = heat supplied (same for both)
- m = mass
- c = specific heat capacity
- Δ T = temperature change
(a) Given that masses are same,
Since:
here Q and m are the same for both metals A and B, so
So,
Metal A shows a greater temperature rise than metal B (since it has lower specific heat).
(b) Masses in ratio 3 : 5 Now :
The ratio of temperature rise is 5 : 2
Soumya took two right circular cones of the same vertical height. One of the two cones is a solid one, while the other is hollow from inside. By measuring the cross-sectional areas of the cones and from the knowledge of symmetry, by using suitable formulas, he found the positions of the centre of gravity of both cones. He found that the difference is about 1.5 cm. What is the vertical height of the two cones?
Answer
Let same vertical height of cone be h.
In a right circular cone, the center of gravity lies at a distance of from the base for a solid cone, and at a distance of from the base for a hollow cone.
Given that the difference between these positions is 1.5 cm, we can set up the following equation:
∴ The vertical height of each cone = 18 cm
Seismic waves have different frequencies. During earthquakes, why are short-length buildings more prone to damage caused by high-frequency seismic waves?
Answer
Natural frequency of a body is inversely proportional to the length of the body. High frequency seismic waves can resonate with short length buildings, and due to the large amplitude of vibration, it can cause more damage to the buildings.
Will the centre of gravity of a hollow sphere filled half with mercury and half with oil be identical to that of an empty hollow sphere? Give reasons for your answer.
Answer
No.
Reason
- Mercury is denser than oil—about 13.6 times as dense. If filled horizontally, meaning mercury and oil are layered due to gravity, Mercury will settle at the bottom, oil will float above. This creates an asymmetrical mass distribution, with heavier mass concentrated towards the bottom.
- The centre of gravity will shift towards the mercury side as the position of the centre of gravity depends on the distribution of mass.
Study the diagram and answer the questions that follow.

(a) In the diagram, is the worker attempting to raise or lower the load?
(b) Justify your answer to (a) with the necessary calculation.
Answer
(a) Worker is attempting to lower the load.
(b) For rotational equilibrium about the fulcrum,
Clockwise Moment = Anticlockwise Moment
Assuming 1 kgf ≈ 9.8 N, we convert W1 = 4000 kgf ≈ 4000 x 9.8 = 39,200 N
- Moment due to Load (anticlockwise) :
M1 = W1 d1 = 39,200 x 25 = 980,000 Nm - Moment due to Worker’s Force (clockwise) :
M2 = F2 x d2 = 20,000 x 10 = 200,000 Nm
The clockwise moment (200,000 Nm) is much less than the anticlockwise moment (980,000 Nm). Their applied force is insufficient to raise the load, so that worker will lower the load.
The graph shows load against effort for a lever with load and effort on the same side of the fulcrum.

(a) Which feature of the load and effort graph must be calculated to determine mechanical advantage?
(b) Which class does this lever belong to?
Answer
(a) Slope
(b) 2nd class
Explanation:
(a) The slope of the load-effort graph is the key to finding mechanical advantage.
(b) In a linear load-effort graph that passes through the origin, the slope represents the ratio of Load to Effort. So, we just need to calculate the slope of the line to get the mechanical advantage. Choose any point on the line — for instance, (Effort = 10 kgf, Load = 20 kgf) gives MA = 2.
Since MA > 1, meaning effort arm > load arm. This is characteristic of a class II lever, where the load lies between the fulcrum and the effort.
(a) Convert to SI unit: 1 J/g °F
(b) Why does 1 g of water at 0°C have 336 J more heat energy than 1 g of ice at 0°C?
Answer
(a) 1 J/g °F = 1800 J / (kg K)
(b) 336J of energy is used to increase the potential energy due to an increase in intermolecular separation, so the latent heat of ice is 336 J.
Explanation:
(a) ∵ 1 gram = 0.001 kg
Now convert:
(b) At 0 °C, ice and water are at the same temperature, but not at the same energy state. To convert 1 g of ice at 0 °C into 1 g of water at 0 °C, it must absorb latent heat.
This latent heat of fusion for water is: Lf = 336 J/g
So, to melt 1 g of ice: Q = mL = 1 g x 336 J/g = 336 J
Thus, 1 g of water at 0 °C has 336 J more energy than ice at the same temperature because that’s the energy absorbed during the phase change.
Match the columns by choosing the body part and corresponding mechanical lever of the same class.
| Human body part | Mechanical lever |
|---|---|
| i. Nodding head | (a) Bottle Opener |
| ii. Lifting body weight on your toes. | (b) Tongs |
| (c) See-Saw |
Answer
(i) - (c)
(ii) - (a)
Explanation:
(i) (c) : class I lever
- Nodding head : In this action, the spine acts as the fulcrum F, load L is at its front part, while effort E is at its rear part. Since the fulcrum is between load and effort, Thus, this is an example of class I lever.
- See-Saw : Since the fulcrum is between load and effort, the see-saw satisfies the condition for a class I lever.
(ii) (a) : class II lever
- Lifting body weight on your toes: the weight of the body is raised on toes. The fulcrum F is at the toes at one end, the load L (i.e., weight of the body) is in the middle and effort E by muscles is at the other end. Thus, this is an example of class II lever.
- Bottle Opener: Now let’s map this to a bottle opener in action:
| Component | In the Bottle Opener |
|---|---|
| Fulcrum | The lip or rim of the bottle cap |
| Load | The bottle cap resisting removal |
| Effort | The force your hand applies at the handle |
The load is positioned between the fulcrum and the effort. Thus, this is an example of class II lever.
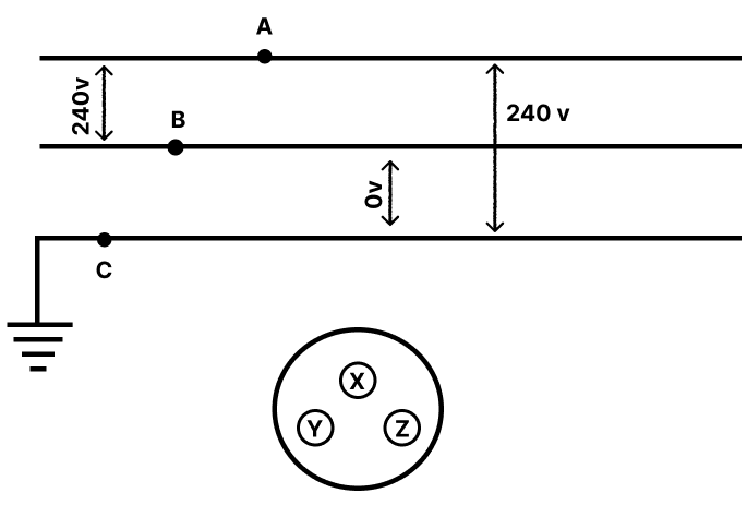
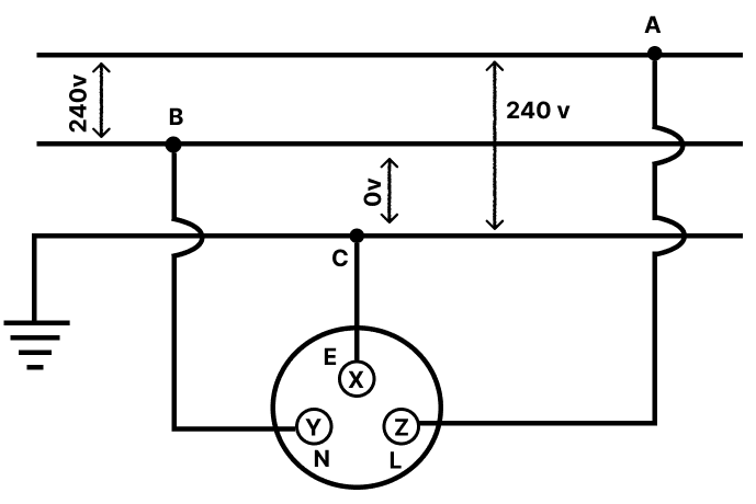
Redraw the diagram by linking points A, B, and C to points X, Y, and Z on the socket.

Answer
In socket, the upper bigger hole is for earth connection, while the hole on the right side is for connection to the live wire and the hole on the left side is for connection to the neutral wire of the electric supply.

Ashish, Sameer, Aditya and Mohit were sitting on the terrace of Ashish’s house listening to the songs playing on Aditya’s mobile phone Mohit, sitting in one corner, a little distance away from the others, requests to increase the volume of the songs. But Aditya says the volume is full. Sameer, being a smart guy, gets up, goes into the kitchen, brings an empty steel glass, places the mobile phone inside it and solves the problem. What is the reason for Sameer to keep the mobile phone in the glass?
Answer
Placing the phone in a steel glass amplifies the sound due to a few reasons:
- Resonance Effect: The air column inside the glass has same natural frequency for certain frequencies produced by phone speaker, due to resonance its loudness increases.
- When we put our phone in a glass, the sound from the speaker makes the glass vibrate. The glass has more surface area than the phone speaker alone, so it vibrates more air. More moving air means stronger sound waves, and that makes the sound feel louder to our ears.
You are given three resistors of magnitude 3 Ω each. You can join them either in a series or in a parallel combination. How will you arrange them so that the equivalent resistance would become:
(a) maximum
(b) minimum
(Your answer must be accompanied by proper mathematical calculations)
Answer
Given,
Number of resistors = 3
Resistance of each resistor, R = 3 Ω
(a) To get maximum equivalent resistance: Connect all in series combination, resistances simply add:
This is the maximum possible equivalent resistance using all three.
(b) To get minimum equivalent resistance: connect all in parallel combination.
By the reciprocal formula:
This gives the minimum possible equivalent resistance.
In a gold atom (atomic number 79), an electron revolves around the nucleus in a circular orbit. There is a strong electrostatic force between the positively charged nucleus and the negatively charged electron. Though the total positive charge possessed by the nucleus is much higher than the negative charge of the electron, there is no displacement of the electron in the direction of the force.
(a) Name the force responsible for the movement of the electron around the nucleus in its own orbit.
(b) In the absence of such force, what would happen to the movement of the electron?
Answer
(a) The force responsible for keeping the electron in its circular orbit around the nucleus is the: Electrostatic (Coulomb) Force
(b) According to Newton's First Law, in the absence of a centripetal (electrostatic) force, an electron would not maintain circular motion and would move in a straight line tangential to its instantaneous velocity.
A straight wire is passed vertically through cardboard sprinkled with iron filings.
(a) When current is passed through the wire in the upward direction, it is seen that the iron fillings are arranging themselves in a definite pattern. Why?
(b) What would happen to this arrangement if more current were passed through the wire?
Answer
(a) When current flows upward through the vertical wire, it creates a circular magnetic field around the wire (as per right-hand thumb rule). The iron filings are tiny magnets in the presence of magnetic field and they align themselves along these field lines, forming concentric circles.
(b) The concentration of magnetic field lines will increase/the number of concentric circles will increase up to a greater distance.
On a hot summer day, we often put ice cubes to cool the water. Why?
Answer
Ice is added to warm water on a hot summer day because it absorbs heat from the water to melt. This happens due to the latent heat of fusion, which is 336 J/g, the amount of energy required to change ice from solid to liquid without a rise in temperature. As ice absorbs this heat, the water loses energy, leading to a drop in its temperature and making it cooler.

In the given circuit diagram, Minakshi replaced the ammeter by a voltmeter by mistake. Will this circuit work?
Answer
No, voltmeter is a high-resistance device. Ideally, its resistance is infinite. So, if by mistake, the ammeter is replaced by the voltmeter, the total resistance of the circuit will also become infinite. In that case, the current flowing through the circuit will become almost zero, and the circuit will not work properly.
A metre rod is half made of copper and half made of iron. If the mass of the copper part is 900 g and the mass of iron is 800 g, then calculate the position at which the rod can remain in equilibrium.
Answer
Given,
Length of the rod = 1 meter or 100 cm
Mass of copper part = m1 = 900 g
Mass of iron part = m2 = 800 g
The copper part is 50 cm long and its center of gravity will be at 25 cm.
The iron part is also 50 cm long and its center of gravity will be at 75 cm.
Then distance between their CG is = (75 - 25) cm = 50 cm.

Let x be the distance of CG of copper part from pivot, then (50 - x) will be the distance of CG of iron part from pivot.
900 x = 800 (50-x)
900 x = 40000−800 x
1700 x = 40000
x = 23.53 cm
So, the metre rod will be balanced at a distance (25 + 23.53) cm = 48.53 cm from the end of copper.
The diagram below shows a copper conductor placed along the east-west direction. Magnetic compass P is present above the conductor, and Q is below the conductor. If current is passed through the wire from A to B, then which of the two compasses will show prominent deflection and why?

Answer
Compass P will show prominent deflection.
The magnetic field induced by the current in compass P, when added to Earth's magnetic field, will result in a stronger magnetic field above the wire.
The magnetic field induced by the current in compass Q is opposite to Earth's magnetic field, will result in a weaker magnetic field below the wire, depending on the given current's direction.
The difference between the temperature of water at the bottom and the top of a waterfall is 0.2 °C. Calculate the height of the waterfall. [g = 10 N kg-1, Specific heat capacity of water = 4200 J kg-1 °C-1]
Answer
Let mass of water = m
Height of water fall = h
Change in temperature = Δt
Given that specific heat capacity of water (s)= 4200 J kg-1 °C-1 and g = 10 N kg-1
The potential energy of water at the top of the waterfall is converted into heat as the water falls.
∴ mgh = msΔt
10 h = 4200 x 0.2
h =
h = 84 m
Hence, height of water fall is 84 m.

The diagram shows straw partially immersed in water in the glasses.
(a) Why does the straw in water appear thicker as compared to the straw outside water?
(b) Why does the straw appear discontinuous in water?
Answer
(a) The surface of the glass with water is curved so it acts like a convex lens. Thus, due to the refraction through a convex lens it appears bigger (thicker).
(b) Due to refraction, when light passes through water, lateral displacement takes place which shifts the position of the image and makes it appear discontinuous.

The above diagram shows a triangular prism used for tracing the path of ray AB due to the refraction through the prism. Observe the diagram and answer the following:
(a) State the correct eye position from the points P, Q, R and S to see the images of the points A and B in the same line through the prism.
(b) If the ray, after entering the prism, suffers total internal reflection, then which would be the appropriate position out of P, Q, R, and S to see the image due to TIR?
Answer
(a) Point Q

(b) S, R

Both points S and R are possible because the bending of light depends on several factors such as the medium’s refractive index, the angle of incidence, and the wavelength of light.